Zadatak 1.
Trofazni simetrični potrošač impendance
vezan u zvijezdu, Slika 1, priključen je na trofaznu simetričnu mrežnu, efektivne
vrujednosti napona
.
Odrediti:
Slika 1.
Rješenje:
Ako je trofazni potrošač vezan u spoju zvijezda znači da je impendansa svake faze priključena između zvjezdišta potrošača i odgovarajućeg priključka na mreži, kao što je prikazano na Slici 1.a.
Simetričan ili uravnotežen potrošač u svakoj fazi ima impendanse istih karakteristika, odnosno jednake module i argumente impendansi. Napon zvijezdišta takvog potrošača je nula volti. Kako je i napon zvijezdišta simetričnog trofaznog generatora nula volti, može se zaključiti da je impendansa svake faze potrošača vezanog u spoju zvijezda priključena na fazni napon mreže. Dakle, za proračun stanja na potrošaču veoma je važno poznavati fazni napon mreže.
Ako u postavci zadatka nije naglašeno koji je napon mreže zadat (fazni ili linijski), podrazumjeva se da je zadat llnijski napon mreže. Ako nije naglašeno kojeg su redosljeda naponi, onda se podrazumjeva da su zadati naponi direktnog redosljeda faza.

Slika 1.a
Zadati su linijski naponi direktnog redoslijeda faza:
![]()
![]()
![]()
Koristeći vezu između faznih i linijskih napona direktnog redoslijeda faza, fazni naponi iznose:
![]()
![]()
![]()
a)
Kroz impendanse u fazama potrošača protiču fazne struje. Kako je fazni napon potrošača jednak faznom naponu mreže, tako da je struju po pojedinim fazama moguće odrediti primjenom Omovog zakona kao:



b)
Linijska struja teče vodom koji spaja odgovarajući priključak mreže sa priključkom faze potrošača, te ista protiče i kroz fazu potrošača. Dakle, linijske i fazne struje su iste.
c)
Svaki trofazni potrošač moguće je razmatrati kao tri odvojena jednofazna potrošača pri čemu bi ukupna aktivna snaga trofaznog potrošača bila jednaka sumi snaga tri jednofazna potrošača,
![]()
Aktivna snaga trofaznog simetričnog potrošača ista je po svim fazama, jer je impendansa istih karakteristika u svakoj fazi.
Dakle, ukupna aktivna snaga trofaznog simetričnog potrošača vezanog u spoju zvijezda je:
![]()
d)
Slično kao i aktivna snaga , reaktivna snaga trofaznog potrošača je:
![]()
odnosno, reaktivna snaga simetričnog trofaznog potrošača ista je po svim fazama.
Dakle, ukupna reaktivna snaga trofaznog simetričnog potrošača vezanog u spoju zvijezda je:
![]()
Fazorski dijagram napona i struja prikazan je na Slici 1.b.

Slika 1.b
Zadatak 2.
Trofazni simetričan potrošač vezan u spoju trougao impendanse
prikazan na Slici 2, priključen je na trofaznu simetričnu mrežu efektivne vrijednosti faznog napona
Odrediti:

Slika 2.
Rješenje:
Impedanse trofaznog potrošača vezanog u trougao spojene su na slijedeći način: početak prve impedanse (
) spojen je sa krajem treće impedanse (
) i ta zajednička tačka priključena je na prvi priključak tofaznog generatora; početak druge impedanse (
) spojen je sa krajem prve impedanse i ta zajednička tačka priključena je na drugi priključak trofaznog generatora; početak treće impedanse spojen je sa krajem druge impedanse i ta zajednička tačka priključena je na treći priključak trofaznog generatora. Svaka impedansa potrošača je priključena između dva izvoda generatora. Dakle, fazni napon potrošača odgovara linijskom naponu generatora (mreže). Znači, za proračun stanja na trofaznom potrošaču vezanom u spoju trougao potrebno je poznavati linijski napon mreže.
Zadati su slijedeći fazni naponi direktnog redoslijeda faza:
![]()
![]()
![]()
Slika 2.a
Koristeći vezu između faznih i linijskih napona direktnog redoslijeda faza, dobija se:
![]()
![]()
![]()
a)
Kroz impendanse potrošača protiču fazne struje. Pošto je na potrošaču poznat fazni napon, struja u pojedinim fazama računa se na osnovu Omovog zakona kao:



b)
Linijska struja teče vodom koji spaja priključak mreže sa priključkom faze potrošača. Primjenom prvog Kirhofovog zakona na spojna mjesta pojedinih faza potrošača i linije od generatora, linijske struje određuju se kao:
![]()
![]()
![]()
![]()
![]()
![]()
![]()
![]()
Na osnovu prethodnog proračuna, poredeći fazne i linijske struje simetričnog potrošača vezanog u spoju trougao, moguće je zaključiti:
c)
S obzirom da je trofazni potrošač vezan u spoju trougao simetričan, to je njegova ukupna aktivna snaga:
![]()
d)
Reaktivna snaga simetričnog trofaznog potrošača vezanog u spoju zvijezda iznosi:
![]()
f)
Fazorski dijagram napona i struja prikazan je na Slici 2.b.

Slika 2.b
Zadatak 3.
Trofazni nesimetrični potrošač vezan u spoju trougao priključen je na simetričan trofazni izvor napajanja faznog napona
inverznog redoslijeda. Potrošač sa Slike 3. je sliljedećih karakteristika
Odrediti:
Slika 3.
Rješenje:
Za potrošač se kaže da je nesimetričan ako se bar jedna impendansa u bilo kojoj fazi potrošača razlikuje od preostalih impendansi potrošača bilo po modulu ili po argumentu. Proračun struja trofaznog nesimetričnog potrošača vezanog u spoju trougao sličan je proračunu simetričnog potrošača u spoju trougao. Svaka impendansa potrošača priključena je između dva izvoda generatora, Slika 3. Dakle, i kod nesimetričnog potrošača vezanog u spoju trougao fazni napon potrošača odgovara linijskom naponu generatora (mreže). Znači da je za proračun stanja na potrošaču potrebno poznavati linijski napon mreže.
Zadati su slijedeći fazni naponi trofaznog sistema inverznog redoslijeda faza:
![]()
![]()
![]()
Koristeći zavisnost između faznih i linijskih napona inverznog redoslijeda faza dobija se:
![]()
![]()
![]()

Slika 3.a
a)
Kako je na fazama potrošača linijski napon mreže, to je faznu struju potrošača moguće odrediti primjenom Omovog zakona kao:



b)
Linijske struje određuju se primjenom prvog Kirhofovog zakona na spojna mjesta pojedinih faza potrošača:
![]()
![]()
![]()
![]()
![]()
![]()
![]()
![]()
![]()
c)
Prividna snaga trofaznog nesimetričnog potrošača predstavalja sumu prividnih snaga po pojedinim fazama:
![]()
![]()
![]()
Ukupna prividna snaga za zadati potrošač jednaka je čisto aktivnoj snazi dok je reaktivna snaga u ovom slučaju jednaka nuli.
d)
Fazorski dijagram napona i struja prikazan je na Slici 3.b.

Slika 3.b
Zadatak 4.
Na trofaznu mrežu simetričnog napona direktnog redoslijeda faza napona
priključen je potrošač koji se sastoji od tri aktivna otpornika otpornosti
i
vezana u spoju zvijezda kao što je prikazano na Slici 4. Odrediti:

Slika 4.
Rješenje:
a)
Na osnovu različitih vrijednosti otpornosti potrošača po fazama može se zaključiti da se radi o nesimetričnom potrošaču vezanom u spoju zvijezda. Napon zvijezdišta nesimetričnog potrošača je, za razliku od simetričnog potrošača, različit od nule i određuje se pomoću izraza:
![]()
gdje su:
,
i
- fazni naponi mreže,
,
i
- admitanse pojedinih faza.
Dakle, da bi se odredio napon zvijezdišta nesimetričnog potrošača potrebno je poznavati fazni napon mreže. Zbog toga je potrebno odrediti fazne napone na osnovu zadatih linijskih napona.

Slika 4.a
Zadati su slijedeći linijski naponi:
![]()
![]()
![]()
Koristeći vezu između faznih i linijskih napona direktnog redoslijeda faza, fazni naponi iznose:
![]()
![]()
![]()
Napon zvijezdišta je:

![]()
b)
Napon na impendansama potrošača nije fazni napon mreže, kao što je to bilo kod simetričnog potrošača vezanog u spoju zvijezda, zbog toga što postoji napon zvijezdišta potrošača
.
Primjenom drugog Kirhofovog zakona moguće je odrediti fazni napon potrošača kao:
![]()
![]()
![]()
Dakle, fazni naponi potrošača su:
![]()
![]()
![]()
c)
Struje po pojedinim fazama potrošača određuju se primjenom Omovog zakona i iznose:



S obzirom da se u svakoj fazi potrošača nalazi impendansa čija je karakteristika samo aktivna otpornost, to su struje i naponi u fazi.
d)
Struja koja protiče linijom je ista ona struja koja će proteći i kroz faze potrošača, pa se može zaključiti da su linijske i fazne struje iste.
e)
Ukupna aktivna snaga potrošača jednaka je sumi aktivnih snaga po pojedinim fazama potrošača:
![]()
![]()
![]()
f)
Reaktivna snaga je jednaka nuli, zbog toga što je potrošač čisto aktivnog karaktera.
g)
U slučaju prekida u prvoj fazi može se uočiti sa Slike 4.b da su struje:
i
,
pa je:

![]()
Fazni napon potrošača određuje se primjenom Omovog zakona:
![]()
![]()

Slika 4.b
h)
Fazorski dijagram u sučaju normalnog rada potrošača prikazan je na Slici 4.c.

Slika 4.c
Fazorski dijagram u slučaju prekida prve faze potrošača prikazan je na Slici 4.d.

Slika 4.d
Zadatak 5.
Na Slici 5 prikazan je trofazni
simetrični potrošač vezan u spoju trougao
i napajan trofaznim simetričnim naponom efekrivne vrijednosti
direktnog redoslijeda faza. U kolu su postavljena dva vatmetra. Impendansa potrošača
iznosi:
Odrediti:

Slika 5.
Rješenje:
a)
Potrošač je priključen na linijski napon mreže direktnog redoslijeda faza:
![]()
![]()
![]()
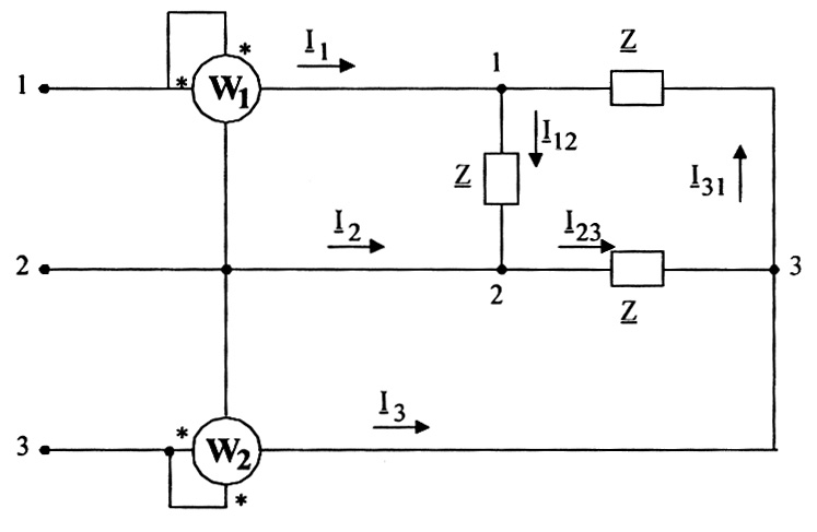
Na osnovu Slike 5.a moguće je zaključiti da su za određivanje pokazivanja vatmetara neophodni linijski naponi
i
, te linijske struje
i
.

Slika 5.a
Vatmetar
pokazivaće aktivnu snagu
:
![]()
dok će vatmetar
pokazivati aktivnu snagu
:
![]()
Struje
i
su linijske struje koje se određuju primjenom prvog Kirhofovog zakona na čvorove 1 i 3 trofaznog simetričnog potrošača vezanog u spoju trougao:
![]()
![]()
Fazne struje protiču kroz impendanse potrošača na čijim krajevima se nalazi linijski napon mreže, pa su:



Odgovarajuće linijske struje su:
![]()
![]()
odnosno, njihove konjugovano kompleksne vrijednosti su:
![]()
![]()
Pokazivanje vatmetara je:


![]()
b)
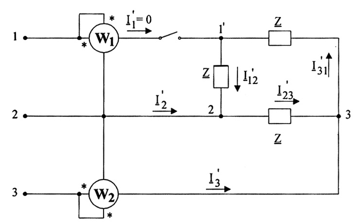
U slučaju prekida prve linije kolo je prikazano na Slici 5.b.

Slika 5.b
Zbog prekida u prvoj liniji struja
jednaka je nuli, pa je i pokazivanje vatmetra
u ovom slučaju:
![]()
Impendanse prve i treće faze vezane su u seriju, pa je:
![]()
Struja druge faze je ostala nepromjenjena, pa je:
![]()
Struja treće linije je:
![]()
Pokazivanje vatmetra
je:
![]()

![]()